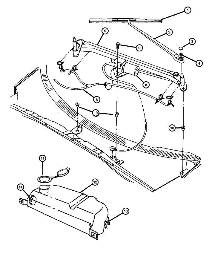
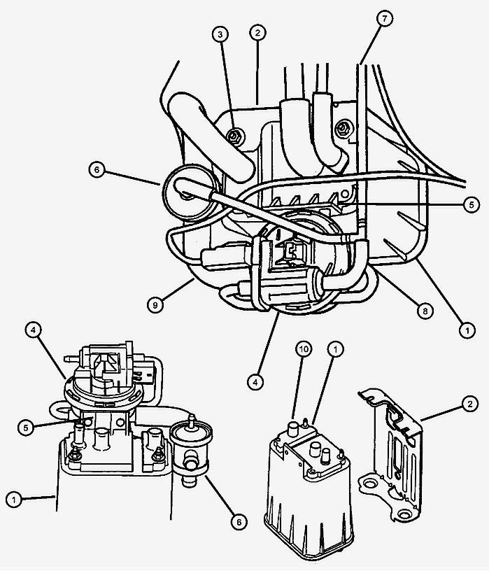
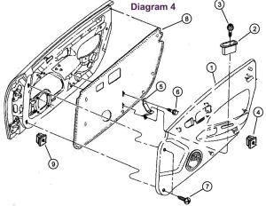
Prowler PART Diagrams Contents"We can get you just about any part you need - even the ones no one else has." + 1 More Suspension Power Steering + 2 More A/C & Heating Steering & Stabilization + 1 More Steering Wheel parts E.G.R. Valve Vacuum Canister Emission Harness Wiper Washer System + 3 More Door & Window Door Weather Strips Center Console Interior Instrument Panel interior Instrument Panel interior Cluster- Mechanical Switches Sensors Electronic Modules Alternator Starter Radiator + 3 More Brake Systems + 1 More Weather Seals Trunk Deck Lid Trunk & Bulkhead Tank Coolant Water Pump and hose Oil Cooler & Lines Front Grille Parts 1 2 Next ยป